2025-09-24
文章来源
Cytech Engineer
英飞凌 CLASS D 芯片 MA53X2 系列:用于音频功放与激光振镜
本文主要介绍英飞凌 Class D 音频功放芯片 MA53X2 系列的重要特征、核心优势及其应用场景。
一、MA53X2 系列产品的重要特征
随着单件产品音频通道数量的日益增加,紧凑型应用中的常规 D 类放大器面临着诸多挑战:低功率效率,过度产热 (即使是在中等音量下),并且需要笨重、昂贵的滤波器。英飞凌多级放大技术全球首创,在改善功耗的同时降低电磁干扰和带外噪音。通过消除或尽量减少滤波器的使用,还可以降低制造成本,有助于节省设计空间。
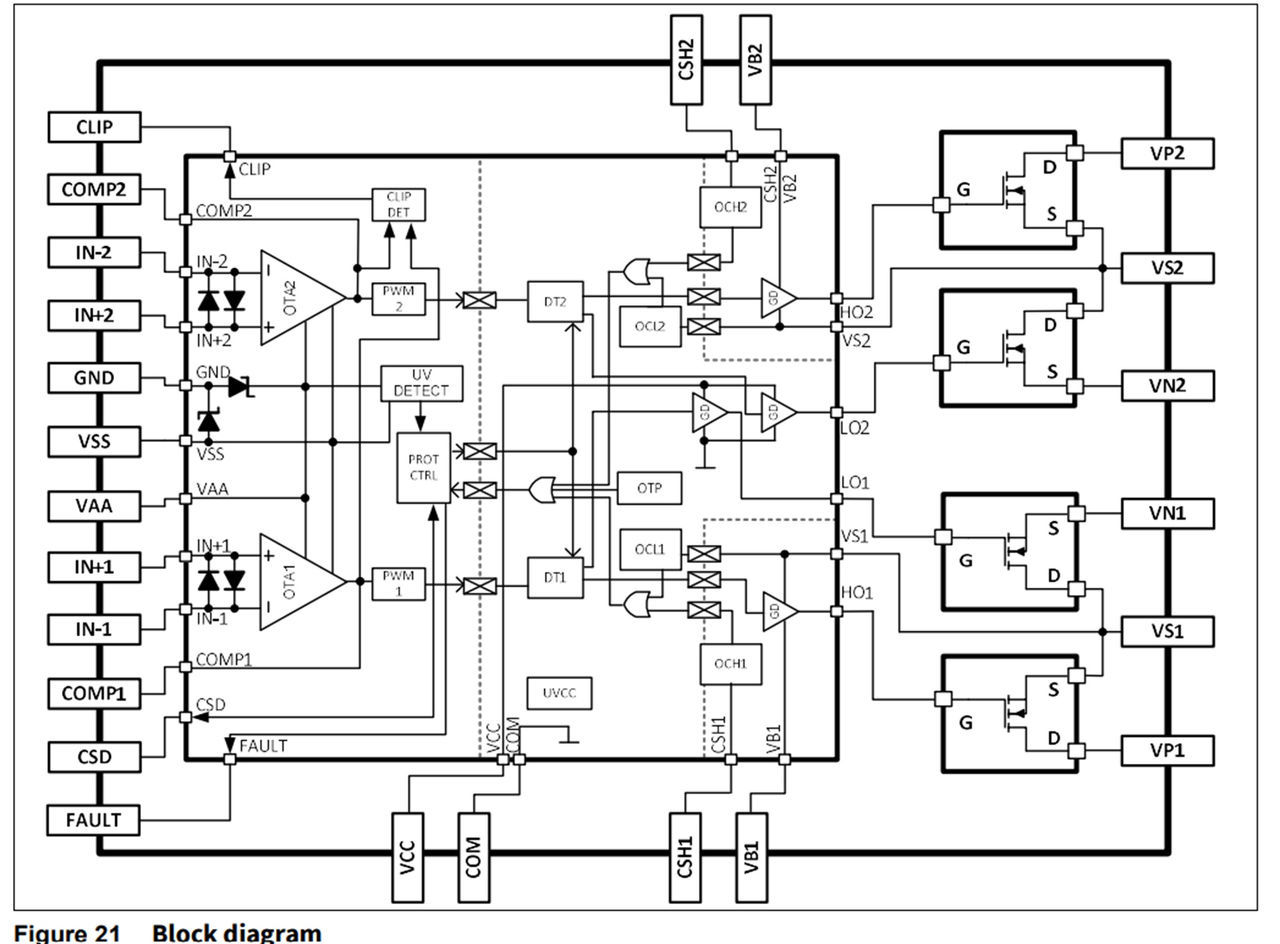
MA53X2 等系列是英飞凌推出的多芯片集成 (MCM) Class D 功放芯片,如下图 (图1) 为英飞凌 MA5302MS 芯片外观:
MA53X2 系列芯片主要具备以下特征:
- 高集成度:集成高压栅极驱动器和 4 个低 RDS (ON) MOSFET (两个半桥),它提供比单芯片相同或更高的输出功率,无需散热器,尺寸减少 50%。芯片大小 7x7mm PG- IQFN-42 封装。
- 该 MCM 解决方案还集成了 2 通道 PWM 控制器:能处理来自两个通道的数字与模拟信号。
- 与相同功率水平的单片方法相比,可实现高达 95% 的效率,无散热器即可实现大功率输出。
- 使能大功率 SE (单端输出) 1X400W。
- 基于低压 BTL 的方法减少母线电容和输出滤波器的设计,简化了 D 类设计,消除了外部保护电路的需要。
- 多种工作模式:输出多种工作模式选择:xSE、BTL、PSE (parallel single-ended),适合音频功放以及激光振镜的马达。
- 安全机制:内置各种保护机制技术,OCP、OTP、和 UVP,带自复位功能。
二、核心优势:为何选择 MA53X2?
- 输出负载特性一致:无论是 CLASS D 音频功放喇叭,还是激光振镜的电机,他们都是线圈,电感式负载。
- 输入的信号方面:Class D 输入是模拟的音频的信号,激光振镜输入的时 PWM 信号。
- 输出电路架构方面:如 2XSE、BTL 等等适合 CLASS D 以及激光振镜,可以驱动一个或者 2 个电机 / 喇叭。
- 开发友好型:全系列 (MA5302 / MA5332 / MA5342) PIN 脚兼容,支持项目平滑升级。
三、典型应用场景
英飞凌 MA53X2 系列广泛应用于以下领域:
- 激光振镜
- AV 接收器
- 家庭影院
- 多房间的放大器
- 海洋放大器
- 有源扬声器
- 工作室监控
- 通用音频功率放大器
四、英飞凌提供评估板
为方便于客户前期评估与开发,英飞凌提供完整的 DEMO 评估板,帮助用户快速验证系统设计与性能。下图 (图6) 为 MA53X2 评估板实物图:
五、MA53X2系列产品对比
下表 (表1) 为英飞凌 MA53X2 系列产品对比:
| 型号 | 内置 MOS 阻抗 | 电压 | 输出负载阻抗及输出功率 |
|---|---|---|---|
| MA5302 | 16mR | 80V | *220 W/ 2 Ω / 440 W in 4 Ω *195 W/ 3 Ω / 390 W in 6 Ω *150 W/ 4 Ω / 300 W in 8 Ω |
| MA5332 | 25mR | 100V | 150 W in 2 Ω / 300 W in 4 Ω 200 W in 4 Ω / 400 W in 8 Ω 160 W in 6 Ω |
| MA5342 | 50mR | 150V | *200W at 8Ω / 400 W at 16Ω *190W at 6Ω / 380 W at 12Ω *190W at 4Ω / 380 W at 8Ω |
表1 英飞凌 MA53X2 系列产品对比
总结
英飞凌 MA53X2 系列产品包含了完全集成单芯片音频解决方案,以及采用了高扩展度放大器驱动 IC 的分立式音频解决方案,并与功率 MOSFET 相结合。MERUS™ 作为英飞凌 D 类音频应用的专用产品系列,输出功率范围为每通道 20W 至 2kW,可满足各类设计要求。
欲了解关于更多英飞凌相关方案或技术信息,请与骏龙科技当地的办事处联系或点击下方「联系我们」,提交您的需求,骏龙科技公司愿意为您提供更详细的技术解答。
更多信息: